Fotoport S - Przepust kabli fotowoltaicznych do membran - Siedmioportowy A, B, C
Cechy
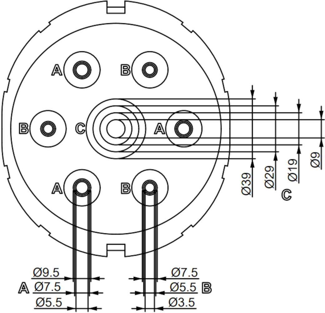
- siedem elastycznych portów (A, B, C) o średnicach 3,5–39 mm do pojedynczych kabli i wiązek
- przeznaczony do zabezpieczenia wiązek kablowych przeprowadzanych przez membrany dachowe
- kompatybilny z dachami pokrytymi blachodachówką, dachówką, blachą płaską i innymi materiałami
- montaż pod ostatecznym pokryciem dachowym – szczelne i estetyczne wprowadzenie przewodów
- wykonany z elastycznego elastomeru termoplastycznego TPE
- wysoka odporność na promieniowanie UV, wilgoć i zmienne warunki atmosferyczne
- trwałe uszczelnienie przez cały okres eksploatacji instalacji fotowoltaicznej
- wodoszczelne i pyłoszczelne połączenie
- szybki i prosty montaż
- po instalacji praktycznie niewidoczny – zachowana estetyka dachu
Opis produktu
Innowacyjny, siedmioportowy przepust uszczelniający został zaprojektowany do bezpiecznego prowadzenia wiązek kabli fotowoltaicznych przez membrany dachowe dachów pokrytych m.in. blachodachówką, dachówką, blachą płaską oraz innymi materiałami pokryciowymi. Montowany pod warstwą końcowego pokrycia dachowego, zapewnia szczelne wprowadzenie przewodów oraz estetyczne ukrycie instalacji.
Kluczową cechą przepustu jest elastyczna konstrukcja wykonana z wysokiej jakości elastomeru termoplastycznego (TPE). Materiał ten łączy elastyczność gumy z możliwościami przetwórczymi typowymi dla tworzyw termoplastycznych. TPE wykazuje wysoką odporność na czynniki atmosferyczne, takie jak promieniowanie UV, wilgoć oraz wahania temperatur, co przekłada się na długotrwałą szczelność i niezawodność podczas całego okresu użytkowania instalacji fotowoltaicznej. Skutecznie ogranicza ryzyko przecieków oraz wiązanych z nimi uszkodzeń konstrukcji dachu i elementów systemu.
Siedem portów (A, B, C) o zakresie średnic od 3,5 do 39 mm umożliwia elastyczne prowadzenie zarówno pojedynczych przewodów, jak i większych wiązek kablowych. Elastyczna konstrukcja portów zapewnia wodoszczelne i pyłoszczelne połączenie.
Przepust charakteryzuje się prostym i szybkim montażem, co ułatwia dopasowanie do różnych typów pokryć dachowych. Po zamontowaniu pozostaje praktycznie niewidoczny, nie zaburzając estetyki dachu.
Trwałe, bezpieczne i estetyczne rozwiązanie, stworzone z myślą o profesjonalnych instalatorach systemów fotowoltaicznych.
| Przeznaczenie: | Do membran dachowych |
| Kolor: | Czarny - RAL 9005 ,
Czerwony - RAL 3020 |
| Materiał: | PP - polipropylen |
| Wymiar: | 219 x 240 mm |
| Waga: | 268,5 g |


















