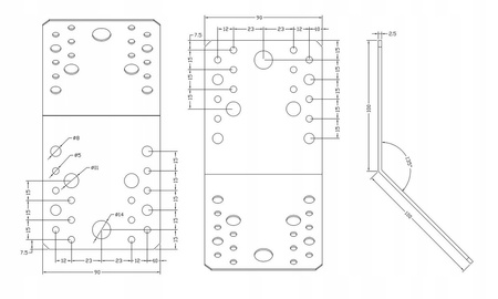
Łącznik gięty - kątownik równoramienny 135°
CLG-01 - 50 mm x 50 mm x 35 mm x 2,5 mm
CLG-02 - 70 mm x 70 mm x 55 mm x 2,5 mm
CLG-03 - 90 mm x 90 mm x 65 mm x 2,5 mm
CLG-04 - 105 mm x 105 mm x 90 mm x 2,5 mm
Cena za 1 sztukę
Łączniki wykonane zostały z blachy stalowej ocynkowanej o grubości 2,5 mm.
Łącznik Ciesielski Budowlany Montażowy
Łączniki zapewniają mocne, estetyczne i profesjonalne łączenia różnych elementów konstrukcyjnych, przede wszystkim drewnianych. Umożliwiają też łączenie drewna z betonem i stalą. Kątowniki przeznaczone do łączenia drewnianych elementów pod kątem 135 stopni. Zapewniają mocne, estetyczne i profesjonalne łączenia różnych elementów konstrukcyjnych,wykonywanie zastrzałów, mieczy lub przekątnych wzmocnień elementów ramowych. Duża ilość przemyślanych otworów, pozwala stosować je zarówno w standardowych rozwiązaniach, jak i dobierać pod indywidualnie rozwiązania.
Mocowanie: gwoździe pierścieniowe, wkręty ciesielskie, wkręty do drewna, śruby stalowe, kołki rozporowe, kotwy wklejane.
Łącznik posiada niezbędne dokumenty dopuszczające do użycia w budownictwie (Krajowa Ocena Techniczna).
| Wymiar: | 105 x 105 x 90 x 2,5 mm |
| Otwory (1): | 36 x Ø5,0 mm |
| Otwory (2): | 2 x Ø14,0 mm |
| Nośność charakterystyczna: | 4,25 kN |
| Nośność obliczeniowa: | 1,38 kN |
| Klasa odporności na ogień: | A1 |
| Opakowanie zbiorcze: | 25 sztuk |
| Przeznaczenie: | Kątowniki |




















